פרופיל אלומיניום מודולרי BT-M0200403

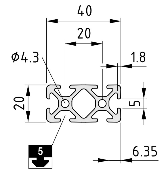
פרופיל מודולרי מסגסוגת אלומיניום T5-6063 גובה 20 מ״מ, רוחב 40 מ״מ, רוחב חריץ 5 מ״מ. אורך יחידה וכמות על פי דרישת הלקוח.

ב-BTI אנו מוכרים פרופילים מודולריים - פרופילים חכמים המשמשים לבניית מגוון רחב של מוצרים לשימושים שונות: מבנים, עגלות, עמדות עבודה ומתקנים שונים. הרכבת הפרופילים מבוצעת ללא ריתוכים או חיתוכים מורכבים. הצוות ההנדסי שלנו מלווה אתכם, הלקוחות, משלב הרעיון, דרך התכנון ועד לייצור, ביצוע ואספקה. התכנון לבנייה בפרופילים המודולריים גמיש, מאפשר שינויים, חיבור אביזרים בקלות ויצירתיות רבה. ניתן לבחור מהיצע רחב של פרופילים במידות שונות ואביזרים משלימים כגון: פינות חיבור, גלגלים, רגליים, מחברים ועוד.

פרופיל מודולרי BT-M0200403
  • מק״ט BTI
    BT-M0200403
  • תאור
    item Profile 5 40X20, natural
  • גובה (מ״מ)
    20
  • רוחב (מ״מ)
    40
  • רוחב חריץ (מ״מ)
    5
לכל האביזרים  | 
BTI-Z04024
item Cap 5 40x20, black

מחפשים פרופילים מודולריים נוספים?

קטלוג מודולרים

אנו שמחים לבשר על ייצוג בלעדי לחברת “item, חברה מובילה בתחום הפרופילים המודולריים והאביזרים הנלווים

Skip to content